Leave Your Message

LMS1-MA Automatic Transfer Switch ATS 63A

Model Name: LMS1-MA

Rated Voltage: AC400V

Rated Current: 6A~63A 

Pole: 4P

Product Category: PC Class

Drive Mode: Excitation type

Certification: CE,CB,CCC

Standard: IEC 60947-6-1

Email: sale@lvma-ele.com

rEAD more
Made with insMind-GL 250A -1 拷贝 4
LMS1-MA uses a unique two-bit structure, ingenious design to save space at the same time, to achieve excellent performance. Its wide range of applications, perfectly adapted to AC 50/60Hz, AC400V power supply environment, Rated current coverage of 6A-63A, can easily meet all kinds of household appliances electricity needs, whether it is daily lighting, small household appliances, or larger power air conditioners, electric water heaters, etc. , can be stable power supply.

Features

The excitation electromagnet is adopted for actuation, the conversion speed is extremely fast, and the control voltage is AC220V(AC110V can be customized).
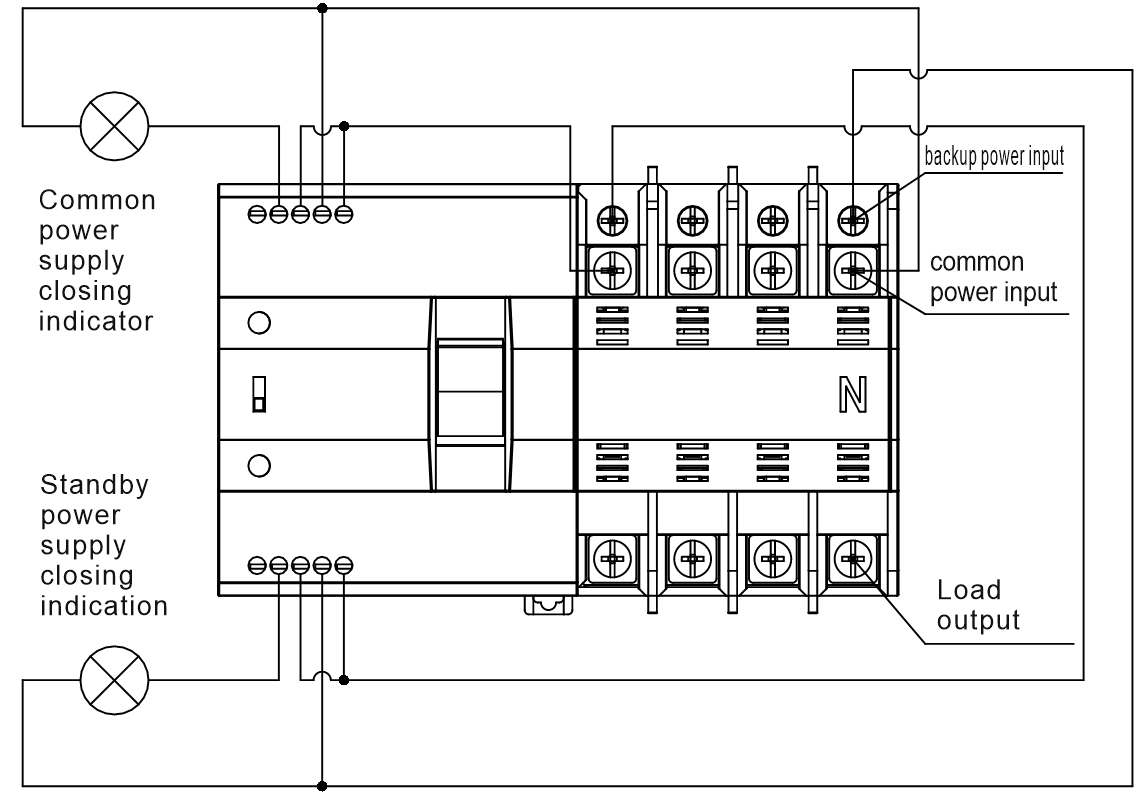
□ The switch body is provided with power-on indication of common power supply/standby power supply, and the switch state is clear.
□ Automatic mode has the function of self-input and selfrecover. When two power supplies exist at the same time, the common power supply gives priority to power supply.
□ Rail installation mode, modular structure design, total weight < 0.9Kg,compact structure, small volume and convenient installation and maintenance.

Model Description

automatic-transfer-switch-1-2

Working Environment

□  The operating ambient temperature ranges from -5℃ to +40℃ ,and the average temperature within 24 hours does not exceed +35℃. The storage ambient temperature ranges from -25 ℃ to +55℃, and can reach +70℃ in a short time (within 24 hours).
□ The altitude of the installation site not exceed 2000m.
□ The relative humidity of the air at the installation site does not exceed 50% when the ambient air temperature is +40℃.The relative humidity can be higher at a lower temperature. For example, when the average minimum temperature in the wettest month is +20℃ , the monthly average maximum relative humidity can reach 90%. Appropriate measures should be taken to prevent condensation due to temperature changes.
□  Pollution Class 3 (conductive pollution, or dry non conductive pollution to conductive due to condensation). ATS can be installed in the cabinet vertically or horizontally. If you have special installation requirements, please contact us.
□ The protection grade of the shell is ip30.
□ Overvoltage category: Main circuit Class III;Control and auxiliary circuits, Class II.

Main Technical Parameters

Rated Current

63

Rated Working Current (le)

6A

10A

16A

20A

25A

32A

40A

50A

63A

Rated Insulation Voltage(Ui)

690V

Rated Impulse Withstand Voltage (Uimp)

8kV

Rated Working Voltage(Ue)

AC 400V

Rated Frequency

50/60Hz

Using Category

AC-31B

Transfer Time

≤70ms

Mechanical life

≥6000 times

Electrical life

≥1500 times

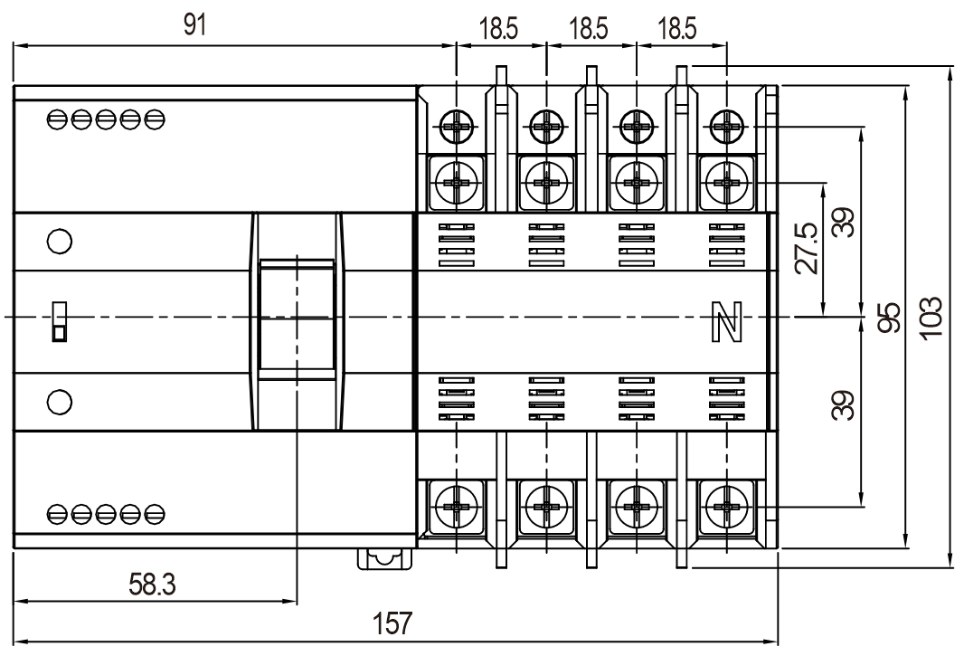
Structure and Mounting Dimensions

automatic-transfer-switch-14-1

automatic-transfer-switch-15-2

LMS1-MA Type PC Class Automatic Transfer Switch At06

automatic-transfer-switch-16-1

automatic-transfer-switch-17-1

automatic-transfer-switch-18-1

Leave Your Message